一、目的:掌握极轴、对象捕捉、对象追踪来实现视图间长对正、高平齐。
二、内容:绘制如图所示的立体三视图。

三、重难点提示:
1 .夹点编辑、极轴追踪的操作。
夹点编辑:首先选择被编辑对象,出现蓝色句炳,左键点击其中一蓝色句炳,使蓝色句炳变红,可进行拉伸、移动、旋转、镜像操作。
2.对于三视图应多采用对象追踪来绘制,画长对正、高平齐、宽相等很容易且简单,少用偏移命令,多用直线、矩形和移动命令。
四、步骤:
1 .设置绘图环境
( 1 )建立新文件:运行 xelegaCAD 软件,设置绘图区域: A4 ( 297 × 210 )。
( 2 )设置图层(包括线型、颜色、线宽)
层名 颜色 线型 线宽
粗实线 白色 实线 (CONTINUOUS) 0.5mm
细实线 白色 实线 (CONTINUOUS) 0.25mm
中心线 红色 点画线 (CENTER) 0.25mm
虚线 紫色 虚线( DASHED ) 0.25mm
单击“格式”→“线型”→“线型管理器”的全局比例因子设为 0.5 。
2 .布置视图,完成完整圆柱体的三视图
(1)按下状态栏上的“极轴”、“对象捕捉”、“对象追踪”按钮。
(2)鼠标右击状态栏中“极轴”按钮,选“设置…”选项,在极轴追踪角设置里选择“ 45 °”,在“对象捕捉追踪设置”里选择“沿所有极轴角设置追踪”。
(3)调用“直线”、“圆”、“复制对象”命令并配合对象捕捉追踪绘制完整圆柱体的三视图。如图 2-1 、 2-2 。
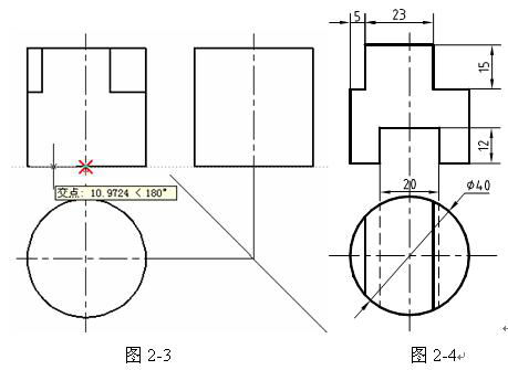
3.绘制圆柱体上部的缺口和下部的开槽。
关键操作:
调用直线命令,捕捉交点(不要单击左键),向左移动鼠标输入距离(10)后,回车。如图2-3。利用快速裁命令(Trim)即输入“TR”回车二次,修剪图形。如图2-4。

4 .完成左视图
关键操作:
单击“直线”图标,从俯视图上直线与圆的交点出发,绘制辅助线与 45 °线相交,根据主视图上切口和槽的深度,捕捉追踪,实现高平齐,画出切口与槽的左视图。如图 2-5 、 2-6 。
利用“擦除”命令,删除多余的辅助线,保存文件为“立体三视图 .dwg ”。

推荐阅读:CAD培训
· 全国金奖大满贯选手 | 一名机械专业职校生的坚持2025-11-26
· luck18网址+生态再结硕果,与高佳科技达成战略合作,赋能流程工业自主创新2025-11-26
· “xelega软件工程师(xelega3D)”认证全球首发,推动制造业3D人才能力体系升级2025-11-25
· 硬核设计!中国力量正在向上2025-11-21
· 数字赋能 · 智造引领丨xelega潍坊制造业数字化转型专题沙龙成功举办2025-11-13
· xelega软件出席通明湖信创论坛,以自主核心技术驱动新型工业化发展2025-11-12
· 战略合作丨浙江华展×xelega软件,打造建筑设计行业数字化转型最佳实践2025-11-04
·玩趣3D:如何应用xelega3D,快速设计基站天线传动螺杆?2022-02-10
·趣玩3D:使用xelega3D设计车顶帐篷,为户外休闲增添新装备2021-11-25
·现代与历史的碰撞:阿根廷学生应用xelega3D,技术重现达·芬奇“飞碟”坦克原型2021-09-26
·我的珠宝人生:西班牙设计师用xelega3D设计华美珠宝2021-09-26
·9个小妙招,切换至luck18网址竟可以如此顺畅快速 2021-09-06
·原来插头是这样设计的,看完你学会了吗?2021-09-06
·玩趣3D:如何巧用xelega3D 2022新功能,设计专属相机?2021-08-10
·如何使用xelega3D 2022的CAM方案加工塑胶模具2021-06-24
·CAD怎么填充不关联边界2024-12-11
·CAD如何调整外部参照的褪色度2019-08-23
·CAD为什么选择填充会连同边界一起选中2025-06-23
·CAD如何获取图纸中全部系统变量值2025-06-05
·两种CAD批量得到坐标的方法2021-03-23
·CAD平移三维实体的方法2024-09-19
·如何将CAD建筑版的测量坐标XY设置成施工坐标AB形式?2024-08-06
·CAD中如何查询体积2020-07-29




